legines.com
3700# Phụ kiện đồng thau Tee Tee Brass Phụ kiện

3700# Phụ kiện đồng thau Tee Tee Brass Phụ kiện

Tính năng sản phẩm: Chợ:
■ ■ Tất cả xây dựng bằng đồng ■ ■ Công nghiệp
■ ■ Đáp ứng các yêu cầu chức năng của ■ ■ Sự thi công
SAE J530 và SAE J531 ■ ■ Xe tải nặng
■ ■ Chủ đề được thực hiện theo tiêu chuẩn khô ■ ■ Di động
■ ■ Cả hai người rèn và đùn có sẵn ■ ■ Nhà máy/Tự động hóa quy trình

Ứng dụng: Ống tương thích:
■ ■ Đường dây không khí ■ ■ Đồng
■ ■ Đường nước ■ ■ Thau
■ ■ Đường làm mát ■ ■ Ống sắt

Thông số kỹ thuật:
Phạm vi áp suất lên đến 1000 psi
Phạm vi nhiệt độ -65˚ đến 250˚F

Ứng dụng điển hình:
Mỡ, nhiên liệu, LP và khí đốt tự nhiên, tủ lạnh.

Phù hợp:
Đáp ứng các thông số kỹ thuật và tiêu chuẩn của ASA, ASME và SAE.

Phần tham chiếu không:
2203p -3700 -322 -203 -311 -101A -28024 ~ 28028 -101A

Liên hệ với chúng tôi

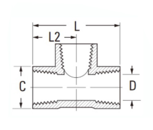
Thông số kỹ thuật

PHẦN#

Kích thước chủ đề

C

D

L2

L

3700-A

1/8

9/16

.339

.55

1.10

3700-b

1/4

11/16

.438

.78

1.56

3700-c

3/8

13/16

.516

.84

1.68

3700-D

1/2

1 "

.703

1.09

2.18

3700-E

3/4

1 "-1/4

.906

1.38

2.31

*Ref.sae.no.130438

Sự phù hợp của Liên minh này được xây dựng 100% đồng thau và đáp ứng các yêu cầu chức năng của SAE J530, SAE J531, SAE J519 và SAE J529. Nó được sử dụng trong thiết bị di động và ứng dụng xây dựng. Các công đoàn cho phép lắp ráp và tháo gỡ dễ dàng trong quá trình làm sạch hoặc sửa chữa. Các kết nối ren được thực hiện theo các tiêu chuẩn khô để ngăn chặn rò rỉ. Khi nó đến với việc thiết kế và xây dựng hệ thống đường ống của bạn, Tee phụ kiện đồng thau 3700# là câu trả lời. Nó sẽ mang lại một cái nhìn chuyên nghiệp, bền bỉ cho dự án của bạn trong khi mở rộng các tùy chọn của bạn khi cài đặt. Tee này sẽ phù hợp với ống 3/4 ". Cơ thể và mũ được làm từ đồng thau, làm cho sự phù hợp này chống ăn mòn và rỉ sét.

Liên hệ với chúng tôi

Về Legines

Legines Công nghiệp Máy móc Inc.

Là một nhà sản xuất phụ kiện đồng thau chuyên nghiệp của Trung Quốc và thúc đẩy các nhà cung cấp phụ kiện. Nó áp dụng gia công CNC đầy đủ và sở hữu khu vực hội thảo là 3600 mét vuông. 45 Máy công cụ tự động, 35 công cụ máy CNC bán tự động, cũng như các nhà phân phối, những người đã trở thành nhà cung cấp quan trọng để sản xuất các bộ phận bằng đồng tiêu chuẩn của Mỹ ở Trung Quốc ...
  • tôn kính
  • tôn kính

HƯỚNG DẪN & Tin tức