legines.com
3151# Phụ kiện bằng đồng thau Square đầu ống phụ kiện ống

3151# Phụ kiện bằng đồng thau Square đầu ống phụ kiện ống

Tính năng sản phẩm: Chợ:
■ ■ Tất cả xây dựng bằng đồng ■ ■ Công nghiệp
■ ■ Đáp ứng các yêu cầu chức năng của ■ ■ Sự thi công
SAE J530 và SAE J531 ■ ■ Xe tải nặng
■ ■ Chủ đề được thực hiện theo tiêu chuẩn khô ■ ■ Di động
■ ■ Cả hai người rèn và đùn có sẵn ■ ■ Nhà máy/Tự động hóa quy trình

Ứng dụng: Ống tương thích:
■ ■ Đường dây không khí ■ ■ Đồng
■ ■ Đường nước ■ ■ Thau
■ ■ Đường làm mát ■ ■ Ống sắt

Thông số kỹ thuật:
Phạm vi áp suất lên đến 1000 psi
Phạm vi nhiệt độ -65˚ đến 250˚F

Ứng dụng điển hình:
Mỡ, nhiên liệu, LP và khí đốt tự nhiên, tủ lạnh.

Phù hợp:
Đáp ứng các thông số kỹ thuật và tiêu chuẩn của ASA, ASME và SAE.

Phần tham chiếu không:
3151 -211p -109a -109b

Liên hệ với chúng tôi

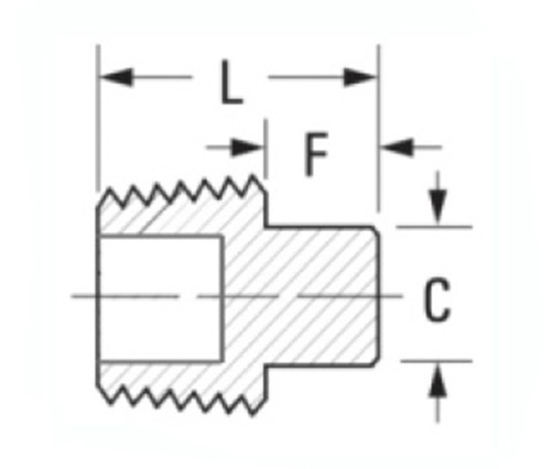
Thông số kỹ thuật

PHẦN#

Kích thước chủ đề

C

F

L

3151-A

1/8

.28

.24

.58

3151-b

1/8

.37

.29

.80

*3151L-b

1/4

.37

.29

.80

3151-c

3/8

.43

.32

.80

3151L-c

3/8

.43

.32

.80

3151-d

1/2

.56

.39

1.07

*3151L-D

1/2

.56

.39

1.07

3151-E

3/4

.62

.43

1.11

*3151L-E

3/4

.62

.43

1.11

*Rỗng

Sê -ri 3151 của chúng tôi cung cấp đầy đủ các phụ kiện ống được sử dụng trong các đường không khí, đường nước và hệ thống bôi trơn. Các phụ kiện bằng đồng này được sản xuất từ các vật liệu SAE J530 và SAE J531 để đáp ứng áp lực và nhiệt độ làm việc của bạn cho tuổi thọ dịch vụ đáng tin cậy. Các phụ kiện có cả hai phần rèn và đùn có sẵn, cũng như vỏ bọc chống ăn mòn có thể được sơn cho bất kỳ tiêu chuẩn OEM nào. Tất cả các cấu trúc đồng thau cung cấp khả năng chống ăn mòn vượt trội và sức mạnh. Sự phù hợp này đáp ứng tiêu chuẩn J530 và tương thích với ren ống khô. Cho dù bạn đang xây dựng một đường hàng không mới hoặc thay thế các phụ kiện kim loại cũ bằng công nghệ hiện đại, các phụ kiện bền bỉ này sẽ giúp bạn hoàn thành công việc đúng.
Các phụ kiện phích cắm đầu vuông được sản xuất từ đồng thau và có thể được sử dụng trong nhiều ứng dụng bao gồm các đường làm mát, đường nước, đường dây không khí và kết nối điện tử. Mỗi bộ đồ phù hợp với ống đồng hoặc ống sắt cũng như ống bằng đồng.

Liên hệ với chúng tôi

Về Legines

Legines Công nghiệp Máy móc Inc.

Là một nhà sản xuất phụ kiện đồng thau chuyên nghiệp của Trung Quốc và thúc đẩy các nhà cung cấp phụ kiện. Nó áp dụng gia công CNC đầy đủ và sở hữu khu vực hội thảo là 3600 mét vuông. 45 Máy công cụ tự động, 35 công cụ máy CNC bán tự động, cũng như các nhà phân phối, những người đã trở thành nhà cung cấp quan trọng để sản xuất các bộ phận bằng đồng tiêu chuẩn của Mỹ ở Trung Quốc ...
  • tôn kính
  • tôn kính

HƯỚNG DẪN & Tin tức