legines.com
69# nén 90 ° Brass Brass khuỷu tay

69# nén 90 ° Brass Brass khuỷu tay

Ứng dụng: Thị trường:
■ ■ Đường dây không khí ■ ■ Công nghiệp
■ ■ Đường bôi trơn ■ ■ Bao bì
■ ■ Đường làm mát ■ ■ Khí nén
■ ■ Ngành công nghiệp ■ ■ In
■ ■ Máy móc
■ ■ Máy nén
■ ■ Chuyển chất lỏng

Tính năng sản phẩm:
■ ■ Đáp ứng các yêu cầu chức năng của SAE J-512
■ ■ UL được liệt kê cho chất lỏng dễ cháy
■ ■ Tay áo đồng thau hoặc acetal có sẵn
■ ■ Không chuẩn bị ống
■ ■ Hình dạng giả mạo và đùn

Phần tham chiếu không:
69 -169 -S69 -69A

Liên hệ với chúng tôi

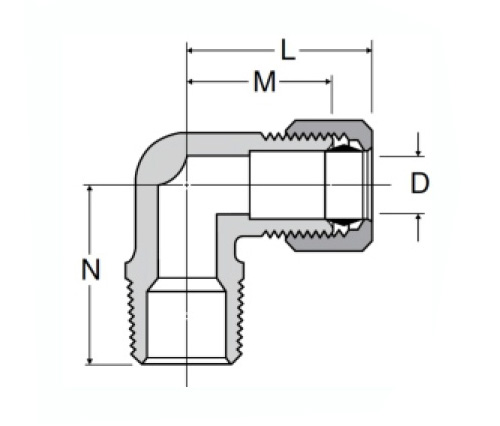
Thông số kỹ thuật

PHẦN# Ống O.D*nam NPTF N M
69-2a 1/8*1/8 .68 .59
69-3a 3/16*1/8 .68 .62
69-3b 3/16*1/4 .85 .61
69-4A 1/4*1/8 .75 .62
69-4B 1/4*1/4 .91 .65
69-4C 1/4*3/8 .93 .72
69-4d 1/4*1/2 1.11 .82
69-5a 5/16*1/8 .71 .67
69-5B 5/16*1/4 .82 .66
69-5C 5/16*3/8 .93 .81
69-5d 5/16*1/2 1.12 .82
69-6a 3/8*1/8 .72 .72
69-6B 3/8*1/4 .88 .75
69-6C 3/8*3/8 .93 .81
69-6d 3/8*1/2 1.18 .87
69-8B 1/2*1/4 .97 .88
69-8C 1/2*3/8 1.06 .88
69-8d 1/2*1/2 1.13 .94
69-8E 1/2*3/4 1.25 1.16
69-10C 5/8*3/8 1.25 1.06
69-10d 5/8*1/2 1.31 1.06
69-12d 3/4*1/2 1.31 1.19
69-12E 3/4*3/4 1.38 1.19

*Ref.SAE số 060202 BA

Khuỷu tay nam và acetal 90 ° của chúng tôi được thiết kế theo SAE J-512. Nó đáp ứng các yêu cầu chức năng của đặc điểm kỹ thuật đó, với khớp nén và kết thúc hình thành. Tay áo bằng đồng hoặc acetal được nhúng trong một mặt bích được gia công cung cấp độ cứng, nhưng cho phép (các) ống được chèn mà không cần chuẩn bị.
Phù hợp với khuỷu tay bằng đồng nam 90 ° được thiết kế để kết nối ống mà không cần chuẩn bị ống. Phù hợp phổ quát này có thể được sử dụng với các phụ kiện tương tự khác để tạo ra các hệ thống đường ống phức tạp dễ lắp ráp và bảo trì.

Liên hệ với chúng tôi

Về Legines

Legines Công nghiệp Máy móc Inc.

Là một nhà sản xuất phụ kiện đồng thau chuyên nghiệp của Trung Quốc và thúc đẩy các nhà cung cấp phụ kiện. Nó áp dụng gia công CNC đầy đủ và sở hữu khu vực hội thảo là 3600 mét vuông. 45 Máy công cụ tự động, 35 công cụ máy CNC bán tự động, cũng như các nhà phân phối, những người đã trở thành nhà cung cấp quan trọng để sản xuất các bộ phận bằng đồng tiêu chuẩn của Mỹ ở Trung Quốc ...
  • tôn kính
  • tôn kính

HƯỚNG DẪN & Tin tức