legines.com
64# Brass Union Tee Tee Nút phụ kiện

64# Brass Union Tee Tee Nút phụ kiện

Brass Union Tee Tee nén Phụ kiện 64#

Ứng dụng: Thị trường:
■ ■ Đường dây không khí ■ ■ Công nghiệp
■ ■ Đường bôi trơn ■ ■ Bao bì
■ ■ Đường làm mát ■ ■ Khí nén
■ ■ Ngành công nghiệp ■ ■ In
■ ■ Máy móc
■ ■ Máy nén
■ ■ Chuyển chất lỏng

Tính năng sản phẩm:
■ ■ Đáp ứng các yêu cầu chức năng của SAE J-512
■ ■ UL được liệt kê cho chất lỏng dễ cháy
■ ■ Tay áo đồng thau hoặc acetal có sẵn
■ ■ Không chuẩn bị ống
■ ■ Hình dạng giả mạo và đùn

Phần tham chiếu không:
64 -164C -S64 -64A

Liên hệ với chúng tôi

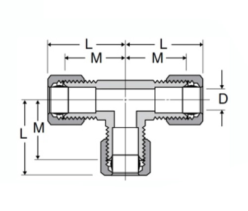
Thông số kỹ thuật

PHẦN#

Kích thước ống O.D.

M

M

D

64-2

1/8

/

.53

.94

64-3

3/16

/

.59

.125

64-4

1/4

/

.627

.188

64-5

5/16

/

.65

.250

64-6

3/8

/

.73

.312

64-8

1/2

/

.94

.406

64-10

5/8

/

1.06

.500

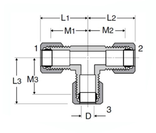
PHẦN#

Kích thước ống

M1

M2

M3

64-4-4-6

1/4x1/4x3/8

.69

.69

.75

64-4-6-4

1/4x3/8x1/4

.69

.75

.69

64-6-6-4

3/8x3/8x1/4

.75

.75

.69

64-8-8-6

1/2x1/2x3/8

.94

.94

.81

64-10-10-8

5/8x5/8x1/2

1.06

1.06

1.06

*Ref.SAE số 060401 BA

Các phụ kiện nén 64 đồng của chúng tôi của chúng tôi được liệt kê cho chất lỏng dễ cháy và đáp ứng các yêu cầu chức năng của SAE J-512. Có sẵn trong các hình dạng giả mạo hoặc đùn, chúng có sẵn với cả hai sợi được gia công và ổ cắm và trong tay áo bằng đồng hoặc acetal. Có sẵn với tay áo bằng đồng hoặc acetal, tất cả các thành phần được thiết kế để cài đặt dễ dàng, vì vậy cài đặt của bạn diễn ra suôn sẻ.

Liên hệ với chúng tôi

Về Legines

Legines Công nghiệp Máy móc Inc.

Là một nhà sản xuất phụ kiện đồng thau chuyên nghiệp của Trung Quốc và thúc đẩy các nhà cung cấp phụ kiện. Nó áp dụng gia công CNC đầy đủ và sở hữu khu vực hội thảo là 3600 mét vuông. 45 Máy công cụ tự động, 35 công cụ máy CNC bán tự động, cũng như các nhà phân phối, những người đã trở thành nhà cung cấp quan trọng để sản xuất các bộ phận bằng đồng tiêu chuẩn của Mỹ ở Trung Quốc ...
  • tôn kính
  • tôn kính

HƯỚNG DẪN & Tin tức