legines.com
24m presto đa dạng

24m presto đa dạng

Tính năng sản phẩm:
■ ■ Đồng thau Collet
■ ■ Buna n o-ring
■ ■ Hỗ trợ ống bằng thép không gỉ
■ ■ Gặp D.O.T. FMVSS571.106
■ ■ Đáp ứng SAE J2494-3
■ ■ Cơ thể tổng hợp - mạnh mẽ, nhẹ, nhỏ gọn và chống va đập
■ ■ Cấu hình trình cắm

Chợ:
■ ■ Xe tải nặng
■ ■ Đoạn phim giới thiệu
■ ■ Di động

Ứng dụng:
■ ■ Phanh không khí
■ ■ Xe tăng không khí
■ ■ Đi không khí
■ ■ Thanh trượt
■ ■ Lạm phát lốp
■ ■ Các dòng chính và trung học
■ ■ Kiểm soát taxi

Liên hệ với chúng tôi

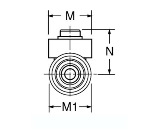
Thông số kỹ thuật

PHẦN

KHÔNG.

Ống O.D

lnlet

Ống O.D

Chỗ thoát

MỘT B D G H M M1 N
24m-4-4 1/4 1/4 1.33 3.98 .21 2.75 .53 .90 .88 .89
24m-6-4 3/8 1/4 1.33 4.00 .21 2.75 .53 .90 .88 .89
24m-6-6 3/8 3/8 1.65 6.49 .22 4.55 .60 1.02 1.02 1.33
24m-8-8 1/2 1/2 1.65 6.49 .22 4.55 .60 1.02 1.02 1.33
24M-8-6-4-4-6-8 1/2 3/8 & 1/4 1.65 6.49 .22 4.55 .60 1.02 1.02 1.17

24m Presto Manifold được xây dựng để cung cấp dịch vụ dễ dàng, nhanh chóng và đáng tin cậy. Cơ thể tổng hợp với thiết kế mạnh mẽ, nhẹ, chống va đập và thiết kế nhỏ gọn cung cấp sức mạnh trong khi giảm số lượng lớn. Đa tạp Presto 24m được thiết kế để đáp ứng các yêu cầu D.O.T FMVSS571.106, SAE J2494-3 cho các ứng dụng áp suất cao. Khả năng cắm & chơi của nó cho phép tính linh hoạt tối đa trong bất kỳ ứng dụng nào.

Liên hệ với chúng tôi

Về Legines

Legines Công nghiệp Máy móc Inc.

Là một nhà sản xuất phụ kiện đồng thau chuyên nghiệp của Trung Quốc và thúc đẩy các nhà cung cấp phụ kiện. Nó áp dụng gia công CNC đầy đủ và sở hữu khu vực hội thảo là 3600 mét vuông. 45 Máy công cụ tự động, 35 công cụ máy CNC bán tự động, cũng như các nhà phân phối, những người đã trở thành nhà cung cấp quan trọng để sản xuất các bộ phận bằng đồng tiêu chuẩn của Mỹ ở Trung Quốc ...
  • tôn kính
  • tôn kính

HƯỚNG DẪN & Tin tức