legines.com
3500# Phụ kiện đồng thau Phụ kiện đường ống khuỷu tay 90 độ

3500# Phụ kiện đồng thau Phụ kiện đường ống khuỷu tay 90 độ

Tính năng sản phẩm: Chợ:
■ ■ Tất cả xây dựng bằng đồng ■ ■ Công nghiệp
■ ■ Đáp ứng các yêu cầu chức năng của ■ ■ Sự thi công
SAE J530 và SAE J531 ■ ■ Xe tải nặng
■ ■ Chủ đề được thực hiện theo tiêu chuẩn khô ■ ■ Di động
■ ■ Cả hai người rèn và đùn có sẵn ■ ■ Nhà máy/Tự động hóa quy trình

Ứng dụng: Ống tương thích:
■ ■ Đường dây không khí ■ ■ Đồng
■ ■ Đường nước ■ ■ Thau
■ ■ Đường làm mát ■ ■ Ống sắt

Thông số kỹ thuật:
Phạm vi áp suất lên đến 1000 psi
Phạm vi nhiệt độ -65˚ đến 250˚F

Ứng dụng điển hình:
Mỡ, nhiên liệu, LP và khí đốt tự nhiên, tủ lạnh.

Phù hợp:
Đáp ứng các thông số kỹ thuật và tiêu chuẩn của ASA, ASME và SAE.

Phần tham chiếu không:
2200p -3500 -302 -200 -28001 đến 28005 -100

Liên hệ với chúng tôi

Thông số kỹ thuật

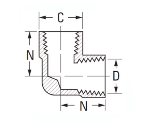
PHẦN# Kích thước chủ đề C D N N
3500-A 1/8 × 1/8 9/16 .219 .66 .47
3500-b 1/4 × 1/4 11/16 .315 .91 .72
3500-c 3/8 × 3/8 13/16 .438 .97 .78
3500-D 1/2 × 1/2 1 " .562 1.25 1.03
3500-E 3/4 × 3/4 1 "-1/4 .750 1.38 1.12

Tham khảo số 12238

Được làm từ đồng thau, khuỷu tay 90 độ của chúng tôi được sản xuất để đáp ứng nhu cầu của các ứng dụng công nghiệp và xây dựng. Đồng thau rèn có độ bền cao hơn, khó hơn và ít có khả năng uốn cong hơn các sản phẩm đùn. Các phụ kiện bằng đồng của chúng tôi cũng có khả năng chống sốc và rung động tốt hơn. Chúng tôi cung cấp cả phụ kiện đường ống giả mạo và đùn cho các dự án trong tất cả các ứng dụng của ngành, bao gồm các đường không khí, đường nước, đường làm mát và nhiều hơn nữa. Phụ kiện đồng thau được sản xuất với các tiêu chuẩn chất lượng cao nhất. Từ quá trình rèn đến kết thúc luồng và kết thúc, mỗi giai đoạn được kiểm tra với các công cụ chính xác. Các phụ kiện này đáp ứng các yêu cầu chức năng của SAE J530 và SAE J531, trong khi tương thích với SAE tiêu chuẩn SAE J514 và ASME B16.21. Khuỷu tay 90 độ được sản xuất từ đồng thau chất lượng cao, cung cấp cấu trúc mạnh và bền. Chúng tôi cung cấp cả các tùy chọn lắp nhà máy và xe tải với hai cấu hình Barb khác nhau để phù hợp với kích thước ống khoan lớn. Cho dù bạn đang tìm kiếm một sự thay thế hay muốn nâng cấp hệ thống của mình, Crouse-săn có thể giúp đỡ.

Liên hệ với chúng tôi

Về Legines

Legines Công nghiệp Máy móc Inc.

Là một nhà sản xuất phụ kiện đồng thau chuyên nghiệp của Trung Quốc và thúc đẩy các nhà cung cấp phụ kiện. Nó áp dụng gia công CNC đầy đủ và sở hữu khu vực hội thảo là 3600 mét vuông. 45 Máy công cụ tự động, 35 công cụ máy CNC bán tự động, cũng như các nhà phân phối, những người đã trở thành nhà cung cấp quan trọng để sản xuất các bộ phận bằng đồng tiêu chuẩn của Mỹ ở Trung Quốc ...
  • tôn kính
  • tôn kính

HƯỚNG DẪN & Tin tức