legines.com
3400# Phụ kiện ống bằng đồng thau 90 độ đường phố Street

3400# Phụ kiện ống bằng đồng thau 90 độ đường phố Street

Tính năng sản phẩm: Chợ:
■ ■ Tất cả xây dựng bằng đồng ■ ■ Công nghiệp
■ ■ Đáp ứng các yêu cầu chức năng của ■ ■ Sự thi công
SAE J530 và SAE J531 ■ ■ Xe tải nặng
■ ■ Chủ đề được thực hiện theo tiêu chuẩn khô ■ ■ Di động
■ ■ Cả hai người rèn và đùn có sẵn ■ ■ Nhà máy/Tự động hóa quy trình

Ứng dụng: Ống tương thích:
■ ■ Đường dây không khí ■ ■ Đồng
■ ■ Đường nước ■ ■ Thau
■ ■ Đường làm mát ■ ■ Ống sắt

Thông số kỹ thuật:
Phạm vi áp suất lên đến 1000 psi
Phạm vi nhiệt độ -65˚ đến 250˚F

Ứng dụng điển hình:
Mỡ, nhiên liệu, LP và khí đốt tự nhiên, tủ lạnh.

Phù hợp:
Đáp ứng các thông số kỹ thuật và tiêu chuẩn của ASA, ASME và SAE.

Phần tham chiếu không:
2202p -3400 -304 -115 -202 -116A -28156 đến 2816

Liên hệ với chúng tôi

Thông số kỹ thuật

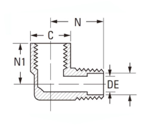
PHẦN# Kích thước chủ đề C D N N1
3400-AA 1/8 × 1/8 9/16 .219 .66 .47
3400-bb 1/4 × 1/4 11/16 .315 .91 .72
3400-cc 3/8 × 3/8 13/16 .438 .97 .78
3400-dd 1/2 × 1/2 1 " .562 1.25 1.03
3400-EE 3/4 × 3/4 1-1/4 .750 1.38 1.12

Tham khảo số130239

3400# Phụ kiện ống bằng đồng Elbow 90 độ được làm từ tất cả các công trình xây dựng bằng đồng và tương thích với cả rèn và đùn; Các phụ kiện cấp công nghiệp đáp ứng các yêu cầu chức năng của SAE J530 và SAE J531; Thị trường: Xây dựng, xe tải hạng nặng và di động. Cả hai tiêu chuẩn được tuân thủ để làm việc trên các ứng dụng di động là cao su nhiệt dẻo (TPR) đã được phát triển để sử dụng trong các ứng dụng ô tô, công nghiệp và thương mại trong đó CPVC không tương thích. Lớp khuỷu tay đường phố 90 độ này phù hợp để sử dụng trong các hệ thống thủy lực, đặc biệt là khi làm việc dưới áp lực cực độ. Nó có sẵn trong một loạt các kích thước và có khả năng chống ăn mòn đặc biệt. Sự phù hợp này được sử dụng để kết nối các đường không khí bao gồm ống đồng. Nó có góc 90 độ và được làm bằng đồng thau, vì vậy nó có thể chịu được điều kiện thời tiết khắc nghiệt.

Liên hệ với chúng tôi

Về Legines

Legines Công nghiệp Máy móc Inc.

Là một nhà sản xuất phụ kiện đồng thau chuyên nghiệp của Trung Quốc và thúc đẩy các nhà cung cấp phụ kiện. Nó áp dụng gia công CNC đầy đủ và sở hữu khu vực hội thảo là 3600 mét vuông. 45 Máy công cụ tự động, 35 công cụ máy CNC bán tự động, cũng như các nhà phân phối, những người đã trở thành nhà cung cấp quan trọng để sản xuất các bộ phận bằng đồng tiêu chuẩn của Mỹ ở Trung Quốc ...
  • tôn kính
  • tôn kính

HƯỚNG DẪN & Tin tức