legines.com
131 phích cắm phanh đảo ngược thép

131 phích cắm phanh đảo ngược thép

Tính năng sản phẩm:
■ ■ Tất cả xây dựng bằng đồng
■ ■ UL được liệt kê cho chất lỏng dễ cháy và khí
■ ■ Đáp ứng các yêu cầu chức năng của SAE J512
■ ■ Đai ốc thép cho kinh tế

Thị trường: Ứng dụng:
■ ■ Điều hòa không khí ■ ■ Dòng chất làm lạnh
■ ■ Hàng hải ■ ■ Đường phanh
■ ■ Di động ■ ■ Đường dây nhiên liệu
■ ■ Động cơ

Ống tương thích:
■ ■ Đồng
■ ■ Thau
■ ■ Nhôm
■ ■ Ống thủy lực thép hàn

Liên hệ với chúng tôi

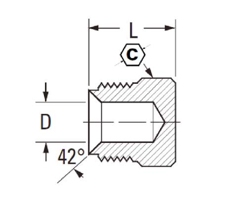
Thông số kỹ thuật

PHẦN#

Ống O.D

C

D

L

131-3

3/16 3/8 .188

.53

131-4

1/4 7/16 .188 .54

131-5

5/16 1/2 .250 .59

131-6

3/8 5/8 .312 .66

*Tham khảo số 040109 BA

Các phụ kiện đường phanh đảo ngược đồng thau 131 của chúng tôi được thiết kế dành riêng cho các đường dẫn khí và nhiên liệu. Thiết kế ngược cung cấp kết nối không rò rỉ trong các ứng dụng chặt chẽ.
Phích cắm đường phanh đảo ngược bằng thép 131 là một phích cắm kiểu cờ lê, đảo ngược được thiết kế để niêm phong đầu cuối của ống linh hoạt. Nó được làm từ thép mạ kẽm để chống ăn mòn và chèn nhựa tích hợp cung cấp sức mạnh chống biến dạng. Cũng có sẵn với một công trình đồng thau.
Sản phẩm này là một phích cắm mạ bằng đồng và thép với lắp flare đảo ngược. Nó được thực hiện để chấp nhận ống 1/8. Kích thước là 0,53 "đường kính sâu 0,54", kiểu cắm này chỉ có thể được sử dụng trên ống đồng, thép và nhôm.
Kinh tế thường là tên của trò chơi trong các ứng dụng đường phanh. Và không có cách nào tốt hơn để tiết kiệm tiền hơn với phích cắm dòng này để giữ không khí trong lành ra khỏi dòng của bạn, nhưng trông rất tuyệt và sẽ tồn tại trong nhiều năm tới. Với một đai ốc thép và thùng bằng đồng, điều này chắc chắn sẽ đáp ứng nhu cầu của bạn.

Liên hệ với chúng tôi

Về Legines

Legines Công nghiệp Máy móc Inc.

Là một nhà sản xuất phụ kiện đồng thau chuyên nghiệp của Trung Quốc và thúc đẩy các nhà cung cấp phụ kiện. Nó áp dụng gia công CNC đầy đủ và sở hữu khu vực hội thảo là 3600 mét vuông. 45 Máy công cụ tự động, 35 công cụ máy CNC bán tự động, cũng như các nhà phân phối, những người đã trở thành nhà cung cấp quan trọng để sản xuất các bộ phận bằng đồng tiêu chuẩn của Mỹ ở Trung Quốc ...
  • tôn kính
  • tôn kính

HƯỚNG DẪN & Tin tức