legines.com
Bộ điều hợp BSPP nam Tee-1/4 chủ đề

Bộ điều hợp BSPP nam Tee-1/4 chủ đề

Bộ điều hợp BSPP nam Tee-1/4 Chủ đề 2070

Ứng dụng điển hình:
Mỡ, làm lạnh, thiết bị và hệ thống thủy lực.

Thuận lợi:
Chủ đề ống khô (BSPT (R)/BSP (G). Phạm vi kích thước và cấu hình

Liên hệ với chúng tôi

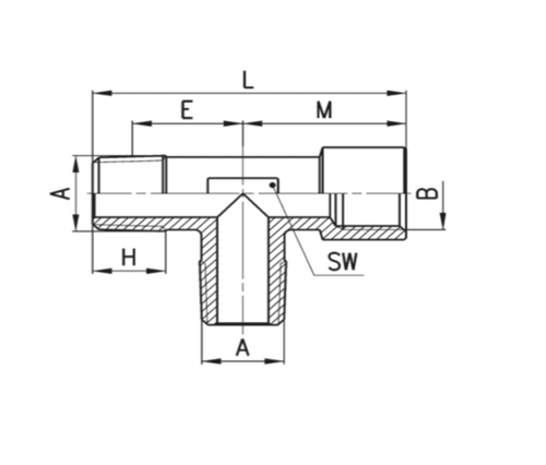
Thông số kỹ thuật

PHẦN#

Kích thước chủ đề a × b

S.W

M

E

2070-A

R1/8 × G1/8

11.6

19 15

2070-b

R1/4 × G1/4

16

23 20

2070-c

R3/8 × G3/8

20

25 20.5

2070-D

R1/2 × G1/2

23

31.5 24.5

Liên hệ với chúng tôi

Về Legines

Legines Công nghiệp Máy móc Inc.

Là một nhà sản xuất phụ kiện đồng thau chuyên nghiệp của Trung Quốc và thúc đẩy các nhà cung cấp phụ kiện. Nó áp dụng gia công CNC đầy đủ và sở hữu khu vực hội thảo là 3600 mét vuông. 45 Máy công cụ tự động, 35 công cụ máy CNC bán tự động, cũng như các nhà phân phối, những người đã trở thành nhà cung cấp quan trọng để sản xuất các bộ phận bằng đồng tiêu chuẩn của Mỹ ở Trung Quốc ...
  • tôn kính
  • tôn kính

HƯỚNG DẪN & Tin tức